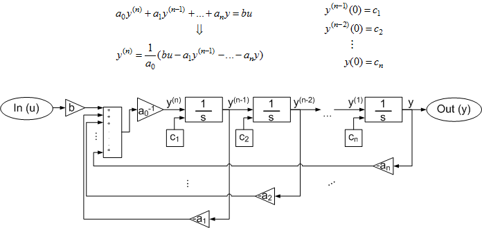
Wytyczne do zapisu równań różniczkowych w Simulinku:
0. Dodaj bloczki In i Out i nazwij je symbolami wejścia i wyjścia.
1. Do modelu dodajemy tyle bloczków Integrator jaki jest stopień równania różniczkowego.
2. Łączymy wszystkie bloczki szeregowo, a wyjście ostatniego bloczka łączymy z bloczkiem out.
3. Wejście pierwszego bloczku oznaczamy symbolem wyjścia z największą pochodną, wyjście ostatniego bloczka symbolem wyjścia. Kolejne wyjścia bloczków wewnętrznych oznaczamy symbolami wyjścia z coraz mniejszym rzędem pochodnych.
4. Uzupełniamy w tych bloczkach wartości warunków początkowych (najlepiej jest użyć zewnętrznego źródła podającego wartość warunku początkowego i podanie wykorzystując bloczek constant)
5. Przenosimy odpowiednie wyrazy w równaniu różniczkowym tak, aby po lewej jego stronie występowała tylko zmienna określająca pochodną wyjścia największego rzędu.
Przykład:
10y"+3y'-y=u ==> y"=(u+y-3y')*0.1
6. Prawa strona równania określa nam jakie wartości należy podać do bloczka sumującego.
7. Dla każdego współczynnika stojącego przy zmiennej po prawej stronie równania należy dodać do modelu bloczek gain ustalić jego wartość na wartość tego parametru.
8. Jeżeli przy pochodnej wyjścia najwyższego rzędu znajduje się współczynnik o wartości różnej od 1, to dodaj dodatkowy bloczek gain ustawiając jego wartość na odwrotność wartości tego współczynnika.
9. Połącz wyjście z sumatora z wejściem utworzonego w poprzednim kroku bloczka, a z kolei jego wyjście z wejściem pierwszego bloczka Integratora.
10. Na wejścia sumatora podaj sygnały z bloczków gain, a następnie na wejścia tych bloczków doprowadź sygnały pochodzące z wejścia In, oraz odpowiednich wyjść integratorów.
Odpowiedni schemat dla ogólnego przypadku przedstawiono poniżej:
